用户侧并网发电系统防逆流解决方案
 2025-10-30
2025-10-30
                         [34]
[34]
                    安科瑞 刘迈
0 封面
1、 用户侧并网发电系统现状
随着新能源的发展,很多用户会选择在原有的公共电网配电系统的基础上新上分布式光伏发电、风力发电、储能等发电系统。但由于发电量的波动与用户侧用电负荷的不断变化,为防止用户侧并网发电系统逆向发电,向公共电网倒送电,因此需科学合理的使用用户侧并网发电系统,同时对用户侧并网发电系统进行安全控制,从而达到防逆流功能。
2、 用户侧并网发电系统防逆流解决方案
按GB/T 50865-2013 《光伏发电接入配电网设计规范》中6.3.2规定:“当光伏发电系统设计为不可逆并网方式时,应配置逆向功率保护设备。当检测到逆向电流超过额定输出的5%时,光伏发电系统应在2s内自动降低出力或停止向电网线路送电。"
按GB/T 43526-2023 《用户侧电化学储能系统接入配电网技术规定》中10.7规定:“采用不允许向电网倒送电方式的用户侧电化学储能系统,公共连接点应具备逆向功率保护功能。"
2.1 设计标准及依据
GB/T 19964-2024 《光伏发电站接入电力系统技术规定》
GB/T 29319-2024 《光伏发电系统接入配电网技术规定》
GB/T 50865-2013 《光伏发电接入配电网设计规范》
GB/T 43526-2023 《用户侧电化学储能系统接入配电网技术规定》
GB/T 31366-2015 《光伏发电站监控系统技术要求》
GB/T 50052-2009 《供配电系统设计规范》
GB/T 50053-2013 《20kV及以下变电所设计规范》
GB/T 50062-2008 《电力装置的继电保护和自动装置设计规范》
GB/T 50063-2017 《电力装置的电气测量仪表装置设计规范》
GB/T 19939-2005 《光伏系统并网技术要求》
GB/T 31366-2015 《光伏发电站监控系统技术要求》
2.2 用户侧并网发电系统防逆流解决方案
采用不允许向电网倒送电方式的用户侧并网发电系统时,需在公共连接点配置防逆流保护装置,通过防逆流软件柔性调节、防逆流保护刚性跳闸相结合的方案,在产生逆向功率倒送公共电网时快速断开并网柜,防止用户侧并网发电系统持续发电倒送公共电网。
不同应用场景下的防逆流保护装置配置方案如下:
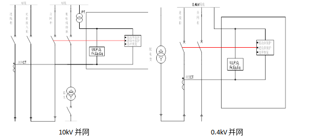
1) 当逆流监测点与并网柜之间线缆敷设距离100米以内,采用单机版装置AM5SE-IS来实现防逆流保护功能;
2) 当逆流监测点与并网柜之间线缆敷设距离在100米至40kM之间时,采用主从机版装置AM5SE-PV系列,主机从机之间可采用光纤连接,实现主从机的远程防逆流功能。

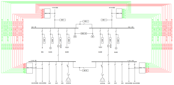
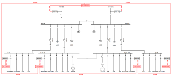
3、 系统拓扑
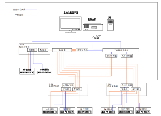
用户侧并网发电系统,按照站控层、间隔层、设备层三层架构设计,通过间隔层通信管理机及网络交换机实时采集防逆流保护装置、微机保护装置、电能质量监测、计量、远动系统等二次设备数据,实现多个区域用户侧并网发电系统监控与自动化管理。同时在监控室配置通信系统、对时系统、远动系统满足系统内部的通信与上级调度需求,配置一套一体化电源系统,为二次设备及监控主机等重要设备运行提供稳定可靠的电源,实现整个用户侧并网发电系统的安全、稳定运行。

4、 防逆流软件功能
防逆流软件可实时监测防逆流监测点功率变化,当前光伏发电总功率、储能实时放电功率与储能实时充电功率以及每个并网单元并网点的实时功率。
防逆流软件可设置逆功率跳闸的功率阈值与跳闸动作时间、低功率调节的功率阈值与调节时间、以及功率恢复正常后判断合闸的功率值与恢复合闸动作时间。

4.1 低功率柔性调节
防逆流软件设置低功率调节的功率阈值(该功率为用户侧使用公共电网的下网功率),当公共电网的下网功率较低,可能会由于负荷波动导致逆向功率产生时,防逆流软件柔性调节,给用户侧并网发电系统的并网单元发送降低发电功率指令,防止逆向功率产生。
4.2 逆功率跳闸
防逆流软件设置逆功率跳闸的功率阈值(该功率为用户侧并网发电系统向公共电网反向供电的上网功率),当用户侧并网发电系统向公共电网反向供电的上网功率触发逆功率跳闸功率阈值,防逆流软件给用户侧并网发电系统的并网单元发送跳闸指令,切断用户侧并网发电系统的并网单元,防止持续向公共电网逆向供电。
4.3 功率恢复合闸
当用户侧并网发电系统的并网单元因逆功率跳闸后,用户侧使用公共电网的下网功率恢复正常阈值,且在功率恢复合闸时间内并网单元仍未恢复合闸,防逆流软件给跳闸的用户侧并网发电系统的并网单元发送合闸指令,恢复用户侧并网发电系统的并网单元的发电,提高用户侧并网发电系统的利用率,减少公共电网的使用。
5、 防逆流保护装置
5.1单机版防逆流保护装置
AM5SE-IS防逆流保护装置


AM5SE-IS防逆流保护装置主要适用于35kV、10kV及低压380V光伏发电、风力发电、储能充放电等新能源并网供电系统。当向公共电网有逆向供电现象时,可以快速切除并网点,使本站不持续向电网逆向供电,保证电站的使用满足电网要求。

Ø 主要功能


Ø 技术参数

Ø 外形及开孔尺寸

5.2 主从机版防逆流保护装置
5.2.1 光纤直跳方案
AM5SE-PV系列防逆流保护装置


AM5SE-PV系列防逆流保护装置主从机采用光纤方式连接,通过光纤链路远程开入开出实现防逆流。
1) 当逆流监测点与用户侧并网发电系统并网单元的并网柜之间线缆敷设距离在100米至1.5kM之间可采用AM5SE-PV系列主从机方案,主机从机之间可采用多模光纤为 62.5/125um,波长 850nm,ST 接口连接;
2) 当逆流监测点与用户侧并网发电系统并网单元的并网柜之间线缆敷设距离在1.5kM至20kM之间可采用AM5SE-PV系列主从机方案,主机从机之间可采用单模光纤波长 1310nm,ST 接口连接;
3) 当逆流监测点与用户侧并网发电系统并网单元的并网柜之间线缆敷设距离在20kM至40kM之间可采用AM5SE-PV系列主从机方案,主机从机之间可采用单模光纤波长 1550nm,ST 接口。

双市电进线
主要功能


Ø 技术参数

Ø 外形及开孔尺寸

5.2 . 2 GOOSE通讯方案
AM5SE-PV系列防逆流保护装置

AM5SE-PV系列防逆流保护装置主从机采用光纤方式连接,通过光纤链路组GOOSE通信网络实现防逆流。
1) 当逆流监测点与用户侧并网发电系统并网单元的并网柜之间线缆敷设距离在100米至20kM之间可采用AM5SE-PV系列主从机方案,主机从机之间可采用单模光纤波长 1310nm,FC 接口连接;
2) 当逆流监测点与用户侧并网发电系统并网单元的并网柜之间线缆敷设距离在20kM至40kM之间可采用AM5SE-PV系列主从机方案,主机从机之间可采用单模光纤波长 1550nm,FC 接口连接。

主从机通信组网光纤直连拓扑图

主从机通信组网借光纤环网交换机组光纤环网拓扑图
Ø 主要功能

Ø 技术参数

Ø 外形及开孔尺寸

6、 典型配置方案

7、 典型案例
中船九院34.8MW分布式光伏项目防逆流解决方案
丰城曲江分布式光伏项目防逆流解决方案
四川六合特种金属材料7.7MW分布式光伏储能项目防逆流解决方案
江苏亨通电缆3.9MW 分布式光伏项目防逆流解决方案
湖北正安新材料1.2MW分布式光伏项目防逆流解决方案
内蒙古中高绿能6MW分布式光伏项目防逆流解决方案
红沿河核电站6.04MW分布式光伏项目防逆流解决方案
甘肃武威重离子医院分布式光伏项目防逆流解决方案
中国移动山西太原移动中心911.55kWp分布式光伏项目防逆流解决方案
寰宇东方3.75MW 10.06MWh储能项目防逆流解决方案
常州蜂巢19.225MW 50.32MWh储能项目防逆流解决方案
盐城蜂巢17.5MW 46.96MWh储能项目防逆流解决方案
格睿绿能-朗晟新能源新材料项目防逆流解决方案
麦思克电子材料4MW分布式光伏项目防逆流解决方案
睿明科技园光伏项目防逆流解决方案
湖北高速光储充项目防逆流解决方案
福森光伏项目防逆流解决方案
胡家园5.84MW 分布式光伏项目防逆流解决方案
湖北正安1.2MW 分布式光伏项目防逆流解决方案
梁沱水厂排泥水0.4mW光伏项目防逆流解决方案
江南造船厂34.8MW分布式光伏项目防逆流解决方案
- 上一篇:没有了
- 下一篇:Acrel-5000建筑能耗管理系统在某4s店中的应用

