安科瑞医用隔离电源系统在某省医院项目中的应用
2025-10-16
[434]
安科瑞 刘迈
摘要:介绍该三级综合医院采用安科瑞隔离电源系统7件套,使用落地式配电柜安装方式,从而实现将TN系统转化为IT系统,以及系统绝缘情况监测。
关键词:医用隔离电源系统;IT系统;绝缘情况监测;三级综合医院。
0、概述
该院始建于1953年,前身是原市级人民医院;是一所集医疗、教学、科研、预防保健为一体的**三级综合性医院。该院占地面积约150亩,建筑面积18.6万平方米,设置床位1500张。
本项为综合楼项目,其中医用隔离电源用于ICU区域。该院重症医学科(ICU)成立于2017年。设置床位21张,其中隔离病房2张,现开放病床12张,配备多功能电控病床及重症信息化系统。
根据GB16895.24-2005所规定,医疗二类场所内,医疗隔离电源系统应用于维持生命的、外科手术的和其他位于“患者区域"内医疗电气设备和供电回路。故本次项目中重症监护室的重要负载应由隔离电源来进行供电。同时使用绝缘监测装置对系统的对地绝缘情况进行实时监控。
1、应用介绍
本次项目的应用场所为二类场所区域,ICU的重要负载为护理吊塔,负载要求供配电系统安全、稳定,须使用不接地系统(IT系统)来供电。
该项目中单个医用吊塔的功率约为2kVA,项目中选择使用8kVA容量的隔离变压器同时为4台医用吊塔供电。因为隔离变压器在启动时会产生较大的冲击电流,可能会造成隔离变压器一次侧断路器断开或闭合困难,所以本项目在选择隔离变压器进出线的断路器时,按照国标选择了只有短路保护功能没有过负荷保护功能的断路器,断路器脱扣曲线应为D型。
项目中使用了医疗隔离电源产品七件套的搭配,共用了43套隔离电源系统,产品包括8kVA的医用单相隔离变压器AITR8000,绝缘监测仪AIM-M200,保护型电流互感器AKH-0.66P26,测试信号发生器ASG100,绝缘故障定位仪AIL100-4,电源模块HDR-60-24,报警显示仪AID150。
2、系统方案
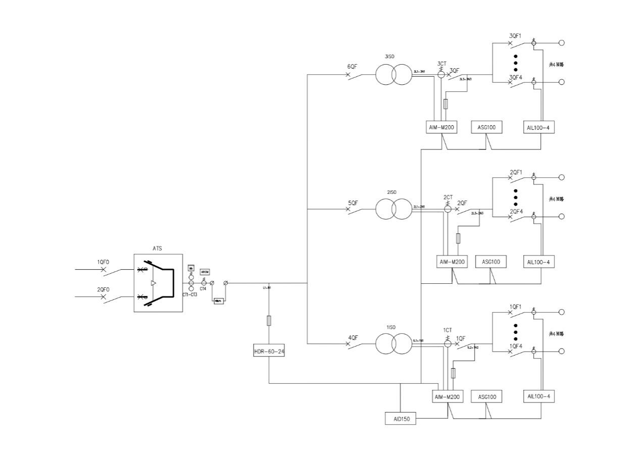
2.1.ICU隔离电源柜系统图

2.2.系统构成
1) 医用隔离变压器
隔离变压器是指输入绕组与输出绕组带电气隔离的变压器,隔离变压器用以避免偶然同时触及带电体,变压器的隔离是隔离一次侧二次侧绕组线圈各自的电流保证在接地故障的情况下运行的连续性。隔离变压器的变比通常是1:1。
2) 绝缘监测仪
绝缘监测装置的任务是监测相线与大地之间的绝缘电阻,当阻值低于设定值时发出报警提示。绝缘监测装置装于隔离变压器二次侧出线与大地之间,在系统中施加测量电流,当系统绝缘电阻下降时,发出报警信号。AIM-M10型绝缘监测仪自带一路24V直流电源输出,可为AID150型集中报警显示仪供电。
3) 电流互感器
互感器主要的功能是将高电压或大电流按比例变换成标准低电压(100V)或标准小电流(5A或1A,均指额定值),以便实现测量仪表、保护设备及自动控制设备的标准化、小型化。同时互感器还可用来隔开高电压系统,以保证人身和设备的安全。
4)外接报警显示仪
外接报警显示仪用来发出由配电柜内由故障所引发的警报,提醒工作人员查看及排除问题。
5)测试信号发生器
测试信号发生器可实现特定测试信号的产生,当被监测的IT系统出现绝缘故障时,能及时启动并产生测试信号,配合绝缘故障定位仪实现绝缘故障定位。
6)绝缘故障定位仪
绝缘故障定位仪用于检测试信号发生器注入系统中的信号,准确定位绝缘故障所在的回路。
7)直流稳压电源
直流稳压电源可同时为医用智能绝缘监测仪、测试信号发生器、绝缘故障定位仪和集中报警与显示仪等仪表提供直流24V电源。
3、现场安装

4、项目总结
本次项目在隔离电源柜前端加装了UPS,保证了电力中断时的关键负载的电力供应,同时使用安科瑞隔离电源柜将接地系统转化为不接地系统,保证了供电的连续性,为该ICU提供了一个安全可靠的医疗设备供配电系统。
参考文献
[1].安科瑞IT系统绝缘监测故障定位装置及监控系统(中英文)2020.1
[2].建筑物电气装置*7-710部分:特殊装置或场所的要求—医疗场所GB16895.24-2005
[3].民用建筑电气设计规范JGJ16-2016
[4].医院洁净手术部建筑技术规范GB50333-2013
[5].综合医院建筑设计规范GB51039-2014

