浅谈用于充电桩的B型剩余电流保护器的设计
2025-11-07
[364]
安科瑞 刘迈
【摘要】:对含有充电桩的充电系统漏电原理、特征和保护安装位置进行了分析,并提出用于充电桩的B型剩余电流保护器的一种设计方案,通过双磁芯及对应的拓扑结构实现剩余电流的检测。分析了不同拓扑结构对应类型的剩余电流实现脱扣的机理,对直流剩余电流的检测采用磁调制技术,对其余类型剩余电流提出不进行波形识别、直接整流的电流检测方案。根据不同拓扑结构检测的电流类型,提出上方磁芯选择磁滞回线扁平、高磁导率的材料,下方磁芯选择具有高剩磁的非晶或纳米晶材料。通过Multisim仿真软件对直流剩余电流进行检测,结果表明基于高剩磁材料的磁调制技术能够反映直流剩余电流。
【关键词】:充电桩;剩余电流;磁调制技术;磁芯材料;电动汽车;充电桩;分散式充电桩;充电系统;剩余电流保护器
一、引言
在全球气候变化和能源问题日渐突出的背景下,电动汽车由于能够在节能减排方面做出突出贡献而受到世界各国的大力支持。我国也正处于电动汽车快速成长的关键时期,充电设施行业也在进行快速扩张。截止2020年末,全国预计新增集中式充/换电站1.2万座,分散式充电桩480万个。在现有充电模式下,电路均含有直流环节,当漏电发生时,需要采用剩余电流保护器对充电桩进行保护。传统的AC/A型剩余电流保护器无法动作,而B型剩余电流保护器不仅能够对工频交流和脉动直流剩余电流提供保护,而且能够对1000Hz及以下的正弦交流、平滑直流和复合剩余电流提供保护,因此,用于充电桩的剩余电流保护器宜采用B型。
目前B型剩余电流保护器相关技术长期被国外垄断,根据发表的相关技术论文可知,其研制的220V用户侧剩余电流保护器售价与10kV断路器相当,增加了充电桩建设的成本,对充电桩的普及造成了较大的阻碍。因此,开展B型剩余电流保护器的研发具有重要意义。B型剩余电流保护器设计的关键在于复合电流的检测和磁芯材料的选择。在检测机制方面,给出了一种检测复杂波形的方案,利用磁调制技术,将原边的剩余电流反映到副边以后,运用全相位傅里叶变换对全部波形进行识别,但实验结果在识别脉动直流时误差较大。详细介绍了在磁滞回线分段线性化条件下磁调制的原理,但仿真时为了接近磁芯材料的性质,采用的是反正切函数的磁滞回线,仿真模型与原理不对应,且仅定性描述了仿真结果,对非线性电流识别的准确程度未进行评价。对B型剩余电流保护器进行了建模设计,指出B型剩余电流保护器是双磁芯拓扑结构,不同拓扑结构对应检测不同的波形,下面磁芯的拓扑结构采用恒定频率的方波激励源进行磁调制,无法反映出原边剩余电流。但该文献提出了一种分功能检测波形的思想,为本文B型剩余电流保护器的设计提供了思路。提出B型剩余电流保护器上磁芯的拓扑结构是零序电流互感器,下磁芯的拓扑结构采用磁调制技术,对感应到副边的电流进行测频以实现剩余电流的检测,但由于某些复合剩余电流不存在周期,测频环节测得的频率没有意义,会直接影响到剩余电流保护器的性能,其借鉴意义不大。在磁芯材料的选择方面,国内外可参考的文献较少,仅提及检测直流的磁芯需采用非晶与纳米晶材料,没有对该种材料的选型做进一步说明。
基于此,本文提出了用于充电的B型剩余电流保护器的设计方案。首先,阐述了含有充电桩的供电系统剩余电流的产生机理,对剩余电流的波形和B型剩余电流保护器的选用原因及安装位置进行了分析;其次,对B型剩余电流保护器的工作原理进行研究,包括各磁芯拓扑结构及波形检测的分工,重点介绍了直流电流的检测方法;再次,根据对应拓扑结构的分工,选择满足波形检测要求的磁芯材料,进而采用磁调制技术,利用选择磁芯的磁饱和特性对直流电流的检测进行仿真,检验设计的合理性。
1充电系统漏电的相关分析
充电桩由电网供电的同时对电动汽车进行充电,整体构成一个充电系统,系统内产生的剩余电流特征可能会随漏电地点的不同而改变。下文将对剩余电流的波形和B型剩余电流保护器的选用原因及安装位置进行具体分析。
1.1剩余电流产生的机理
根据充电桩的不同,充电系统的构成可分为两种形式,如图1所示,公共电网采用TT或者TN接线形式,它们的中性点均接地。充电桩分为交流充电桩与直流充电桩,它们的主要区别在于输出电压的形式以及充电机的位置。交流充电桩输出交流电压,充电功率较小,可以通过电动汽车自带的车载充电机进行整流充电;直流充电桩直接输出直流电压,充电功率较大,因此充电机安装于直流充电桩中。

图1
充电系统的构成
充电桩产生剩余电流的情况一般有两种:一种是汽车绝缘击穿,充电系统通过汽车、人体以及大地形成回路,产生剩余电流;另一种是充电桩绝缘击穿网通过充电桩、人体、大地以及中性线形成回路,公共电,产生剩余电流。人体对直流和工频交流的耐受值为30mA,随着交流频率的增加,人体对电流的耐受值有所提升[17],但是值仍然较小,故需要安装剩余电流保护器切断回路以保证人员安全[18]。
1.2剩余电流的特征与保护的安装
情况如图交流充电桩充电时某相线路将充电桩绝缘击穿的2所示,此时通过人体的剩余电流没有经过有源滤波器,是含有大量的(6k±1)次谐波分量的复杂电流[19-20],而其余两相电流经过了有源滤波器滤波。无论剩余电流保护器放在充电系统的任何位置,通过其磁芯的电流相量之和不为零,可表示为:

(1)式(1)中

分别为三相电流,

为剩余电流。

图2某相电压将充电桩绝缘击穿的情况
通过磁芯的磁通量也不为零,同理可表示为:ϕa+ϕb+ϕc=ϕp(2)式(2)中,ϕa、ϕb、ϕc分别为通过三相的磁通量,ϕp为剩余磁通量。
由于通过磁芯的剩余磁通量不为零且不断变化,磁芯上的二次侧将感应出电动势,使操作机构执行跳闸,但正常情况下由于穿过磁芯的磁通量恒为零,操作机构不会动作。
当交流充电桩的绝缘被击穿时,通过人体的剩余电流为含有基频分量叠加高频谐波分量的复合电流;当直流充电桩的绝缘被击穿时,通过人体的剩余电流为直流;当汽车的绝缘被击穿时,无论是直流充电桩还是交流充电桩,通过人体的剩余电流均为直流。对于上述剩余电流,传统AC/A型剩余电流保护器都无法正确动作,因此,选择能检测复合剩余电流与直流剩余电流的B型剩余电流保护器。
B型剩余电流保护器应安装在充电桩处,而不是在充电电缆或者车载充电机处,这样在充电桩以及其后方的位置发生人员触电时,剩余电流保护器均能够及时动作;反之如果B型剩余电流保护器安装在充电桩后的位置,则该位置之前发生人员触电的情况,保护将不会动作。
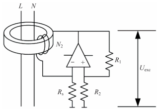
2 B型剩余电流保护器的工作原理
2.1直流波形检测技术
采用磁调制的方法检测直流波形,利用磁芯在饱和区的特性,通过高频方波激励源让磁芯反复饱和,将原边的直流剩余电流反映到副边,磁调制技术的工作原理如图3所示。每当采样电阻两端电压的绝对值达到设定阈值时,容易得出,滞回比较器输出电压将突变至相反值,其值为:

(3)式(3)中,Vr是设定阈值,Uexc是滞回比较器输出电压,称作“激磁电压",显然激磁电压是方波。

图3磁调制的工作原理
为了实现检测直流的效果,当采样电阻两端电压达到Vr时,对应通过的电流早已使磁芯进入饱和状态,不妨设此时的电流为±IH。
为了简化分析,认为磁滞曲线是正切曲线,为了便于描述电流与磁通密度之间的关系,在电流与磁场强度成正比的前提下,绘制电流与磁通密度之间的曲线,如图4所示。在曲线开始变得平缓时,可以认为磁芯已经进入饱和状态,记此时对应的磁通密度与电流分别为±Bs、±Is。

图4电流与磁通密度之间的关系
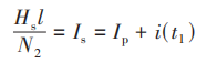
当原边有直流剩余电流通过时,可以用图5描述原副边之间的关系。设原边电流为ip,该电流使得磁芯的磁通密度有一个偏置,不妨认为该偏置是副边造成的,将原边电流等效到副边,记副边等效电流为Ip。

图5原副边之间的等效电路
原副边电流产生的磁势相同,而原边匝数为1,故副边等效电流为Ip=ip/N2根据基尔霍夫电压定律,建立副边激磁回路方程如式(4)。

(4)式(4)中,i(t)是副边的激磁电流。设开始时刻t0磁芯恰好达到负向磁饱和状态,由磁势方程中电流与磁场强度之间的关系,可以得到:

(5)式(5)中,Hs是磁芯刚进入饱和时对应的磁场强度,i(t0)是副边激磁电流的初始值。
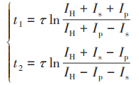
取激磁电流的一个周期进行分析,由于进入饱和区后曲线平缓,故经过可以忽略的极短时间后,采样电阻电压达到阈值,激磁电压开始反向,设磁芯下一次达到饱和的时间为t1,再次达到反向饱和的时间为t1+t2。同理,t1时刻,有:

(6)联立方程式(4)-式(6),解得激磁电流在1个周期内的表达式为:
i(t)=

(7)式(7)中,τ为时间常数,t1、t2分别为式(8)。

(8)认为Ip<Is≪IH,现对1个周期内i(t)的直流分量进行求解,则:

(9)式(9)中,d0为每个周期内i(t)的直流分量。
可以得到,副边激磁电流的直流分量与原边直流等效到副边电流的相反数相同。
2.2.B型剩余电流保护器的拓扑结构
B型剩余电流保护器的拓扑结构如图6所示,上磁芯对应电路能够对脉动直流及1000Hz以下正弦交流剩余电流做出反应并正确动作。对于原边的脉动直流剩余电流,不通过特殊手段,其直流部分是无法反映到副边的,因此实际上副边电流得到的波形仅为脉动的。对于1000Hz以下的正弦交流剩余电流,随着交流频率的增加,由于磁滞损耗、涡流损耗、执行机构动作所需磁力的增长以及滤波器作用,执行机构的动作电流会相应上升[23-27],增加了整定的复杂性。

图6B型剩余电流保护器的拓扑结构
考虑到上磁芯检测到的波形较为复杂,且存在剩余电流是脉动直流与1000Hz以下交流的复合电流的情况,实时识别波形类型的难度大出一种基于整流器的检测动作机制。
3 磁芯的材料
原边直流、脉动剩余直流和副边高频激磁电流对磁芯材料提出了较高的要求,磁芯材料的选择将直接影响B型剩余电流保护器的性能。根据拓扑结构对应检测的剩余电流特征不同,磁芯的材料将有所区别。
3.1上磁芯的材料
上磁芯能够对脉动直流和1000Hz以下交流剩余电流做出反应,即使原边电流含有直流成分,和脉动直流的脉动部分也能正确反映到副边正弦交流,因此上磁芯材料是抗直流的。当原边电流含有直流成分时,磁芯的磁通密度与原边电流关系曲线如图7所示。在t0时刻,电流从0瞬间变到I0,磁芯的磁通密度由于此直流部分的偏置,从-Br直接变为B0,脱离了线性区;t0到t1时间内,电流从I0增加到Imax,对应的磁通密度从非线性区的B0直接进入饱和区的Bmax,脉动部分电流反映到副边的波形会明显失真。

图7磁芯的磁通密度与原边电流关系曲线
为了避免上述情况的发生,对于上磁芯材料的选择,首先,磁芯材料的磁滞回线扁平,在原边剩余电流含有直流成分时,磁芯材料仍能保持在线性区,便于原边叠加的交流剩余电流成分能完整地反映到副边;其次,磁芯材料要同时保持高磁导率,由于直流成分的偏置,对交流剩余电流成分,磁通密度的变化较没有偏置时小,副边驱动能力变弱,故要选择高磁导率的材料来维持驱动能力。
3.2下磁芯的材料
B型剩余电流保护器的下磁芯材料需选用纳米晶或非晶材料,它们均具有极低的磁滞、涡流损耗和较高的磁导率,常用于高频变压器中。由于副边激磁电流频率很高,故主要研究在高频条件下不同非晶与纳米晶材料的特性。
在外磁场的作用下,非晶与纳米晶材料在特定条件下磁致伸缩现象明显,其长度尺寸及体积大小均要发生变化,此现象发生时会进一步引发铁磁共振[28]现象,这是由磁芯材料和几何力学相互之间复杂作用的结果,具体表现为随着激磁电流频率的增加,磁芯材料的磁滞回线出现不对称、变形扭曲与磁滞、涡流损耗极不稳定的波动等反常现象。由于磁调制检测直流的机理是建立在磁滞回线正常的条件下,故选择下磁芯的材料时要尽可能抑制磁致伸缩现象的产生。大量实验表明[29],非晶与纳米晶材料在磁滞回线拐点处之后磁致伸缩现象较为明显,而一般磁滞回线拐点处距离剩磁Br较近,故可以认为在超过剩磁之后磁致伸缩现象不可忽略。当剩磁处距离磁饱和区域高点较近,即剩磁较高时,实际在高频下发生磁致伸缩现象的范围极其有限,从而这种材料的磁滞回线能够应用于磁调制原理当中;同时在高频下高剩磁的材料磁芯损耗密度比低剩磁的材料要低[30-38],故下磁芯宜选择具有高剩磁的非晶或者纳米晶材料。
4仿真分析
由于上磁芯及其拓扑结构需要大量实验进行重叠区的整定,且原边波形种类复杂,不便于进行仿真,这里仅对下磁芯及其拓扑结构的直流波形检测做仿真分析。选取具有高剩磁的非晶材料日立Matglas-2605S3A,并做如下简化:
1)非晶材料的磁滞回线选择频率为10kHz、大磁通密度为0.65T,用反正切函数做近似,用小二乘法拟合,得到简化磁滞回线表达式为B=0.4138arctan(0.0135H)。
与仿真相关的具体参数如表1所示。

在Multisim平台上进行仿真,磁芯用可编辑磁滞回线的非线性变压器代替,当原边没有剩余电流通过与原边出现0.5A的直流剩余电流时,激磁电流的波形分别如图8、图9所示。

图8没有剩余电流时激磁电流的波形图

图9有0.5A剩余直流时激磁电流的波形图
当原边没有剩余电流产生时,激磁电流波形在每个周期内大于零与小于零的时间相同,故直流分量为0;当原边出现剩余电流时,激磁电流在每个周期内大于零的时间少于小于零的时间,整体电流波形较原边没有剩余电流时有明显下倾趋势,说明直流分量小于0,与原边直流符号相反,符合磁调制的结果。现进一步对该波形的直流分量进行计算,由于采样点是离散的,可用离散点表示的复化梯形公式计算积分。
当原边没有剩余电流产生时,激磁电流波形在每个周期内大于零与小于零的时间相同,故直流分量为0;当原边出现剩余电流时,激磁电流在每个周期内大于零的时间少于小于零的时间,整体电流波形较原边没有剩余电流时有明显下倾趋势,说明直流分量小于0,与原边直流符号相反,符合磁调制的结果。现进一步对该波形的直流分量进行计算。由于采样点是离散的,可用离散点表示的复化梯形公式计算积分。

(10)式(10)中,i(t)是激磁电流在t时刻对应电流大小,T是每次进行计算采用的时间间隔,h是采样间隔,xk是采样的时刻,它与时间间隔的关系为xk=kh。
这种计算方法的计算误差与采样间隔的平方成正比,故误差很小。时间间隔取2.5ms,采样间隔为1μs,对所有采样点进行计算,得到激磁电流的周期分量d0=-4.98mA,其值与原边剩余直流转化到副边值Ip=5.0mA的相反数相近,说明基于磁调制的直流检测技术能正确反映原边的剩余直流。对激磁电流的频率进行分析,无论原边是否有剩余电流,激磁电流的频率都在4kHz左右,故下磁芯在该频率下具有较小的磁滞、涡流损耗,选择高剩磁的非晶与纳米晶材料刚好符合此要求。
二、解决方案

图1平台结构图
充电运营管理平台是基于物联网和大数据技术的充电设施管理系统,可以实现对充电桩的监控、调度和管理,提高充电桩的利用率和充电效率,提升用户的充电体验和服务质量。用户可以通过APP或小程序提前预约充电,避免在充电站排队等待的情况,同时也能为充电站提供更准确的充电需求数据,方便后续的调度和管理。通过平台可对充电桩的功率、电压、电流等参数进行实时监控,及时发现和处理充电桩故障和异常情况对充电桩的功率进行控制和管理,确保充电桩在合理的功率范围内充电,避免对电网造成过大的负荷。
三、安科瑞充电桩云平台具体的功能
平台除了对充电桩的监控外,还对充电站的光伏发电系统、储能系统以及供电系统进行集中监控和统一协调管理,提高充电站的运行可靠性,降低运营成本,平台系统架构如图3所示。

图2充电桩运营管理平台系统架构
大屏显示:展示充电站设备统计、使用率排行、运营统计图表、节碳量统计等数据。

图3大屏展示界面
站点监控:显示设备实时状态、设备列表、设备日志、设备状态统计等功能。

图4站点监控界面
设备监控:显示设备实时信息、配套设备状态、设备实时曲线、关联订单信息、充电功率曲线等。

图5设备监控界面
运营趋势统计:显示运营信息查询、站点对比曲线、日月年报表、站点对比列表等功能。

图6运营趋势界面
收益查询:提供收益汇总、实际收益报表、收益变化曲线、支付方式占比等功能。

图7收益查询界面
故障分析:提供故障汇总、故障状态饼图、故障趋势分析、故障类型饼图等功能。

图8故障分析界面
订单记录:提供实时/历史订单查询、订单终止、订单详情、订单导出、运营商应收信息、充电明细、交易流水查询、充值余额明细等功能。

图9订单查询界面
三、产品选型
安科瑞为广大用户提供慢充和快充两种充电方式,便携式、壁挂式、落地式等多种类型的充电桩,包含智能7kw/21kw交流充电桩,30kw直流充电桩,60kw/80kw/120kw/180kw直流一体式充电桩来满足新能源汽车行业快速、经济、智能运营管理的市场需求。实现对动力电池快速、高效、安全、合理的电量补给,同时为提高公共充电桩的效率和实用性,具有有智能监测:充电桩智能控制器对充电桩具备测量、控制与保护的功能;智能计量:输出配置智能电能表,进行充电计量,具备完善的通信功能;云平台:具备连接云平台的功能,可以实现实时监控,财务报表分析等等;远程升级:具备完善的通讯功能,可远程对设备软件进行升级;保护功能:具备防雷保护、过载保护、短路保护,漏电保护和接地保护等功能;适配车型:满足国标充电接口,适配所有符合国标的电动汽车,适应不同车型的不同功率。下面是具体产品的型号和技术参数。






五、结论
本文给出了用于汽车充电桩的B型剩余电流保护器的一种设计方案,对其原理与磁芯材料进行了分析,结合仿真结果,得到了以下结论:
1)B型剩余电流保护器是双磁芯结构,上磁芯及其拓扑结构仅对1000Hz以下正弦交流剩余电流、脉动直流剩余电流的脉动部分以及它们的复合电流作出反应,磁芯在原边剩余电流有直流成分时不能饱和,宜选择磁滞回线扁平、高磁导率的材料;下磁芯及其拓扑结构仅对直流剩余电流作出反应,磁芯宜选择具有高剩磁的非晶或纳米晶材料,它们发出的脱扣命令之间是“或"的逻辑关系。
2)对于反映具有复杂波形的剩余电流,采用整流的方法,避免了对波形的实时识别,通过判断整流后的电流是否在重叠区内,确定是否发出脱扣信号。
3)直流剩余电流的检测采用磁调制技术,将原边的直流以直流分量的形式反映到副边激磁电流当中。仿真结果表明,采用高剩磁的非晶磁芯材料,能正确检测原边直流剩余电流,提取激磁电流的直流分量与原边电流换算到副边的相反数数值相近。
综上所述,用于汽车充电桩的B型剩余电流保护器的设计就现有技术手段可以实现,但是由于我国在材料研究上稍落后于国际水平,加之部分材料限制对我国的出口,相应的磁芯材料的获取成为B型剩余电流保护器国产自主化的瓶颈;其次,对磁芯的布线与磁屏蔽方案对B型剩余电流保护器性能的影响也待进一步探究。
参考文献
[1]胡成奕,严方彬,谢琉欣.柔性互联新型配电系统研究现状及发展探索[J].湖北电力[2]李斯吾,周小兵,陈熙,等.湖北省电能替代现状及发展趋势研究[J].湖北电力
[3]曾博,白婧萌,张玉莹,等.基于价值链分析的电动汽车充电商业运营模式综合评价电力自动化设备
[4]安科瑞企业微电网设计与应用手册.2022.05版
[5]乐零陵,沈瑞昕,叶磊,用于充电桩的B型剩余电流保护器的设计

